DE | EN | NL | RU

Kontaktdaten:


SK-Kältetechnik GmbH

Freiligrathring 1
D-40878 Ratingen

E-mail:

doppelpfeil
... weitere Zweigstellen


Impressum
  • Grüne Kältetechnikfür IT-Rechenzentren
  • Effektive Reduzierungvon Serverkühlungs-Kosten
  • IT-KühlungslösungenProfessionell, transparent und günstig
  • Schnelle Amortisierung Ihrer Investition bei niedrigen Gesamtkosten
  • Wir sind uns der Verantwortung bewusstStändige Kühlungs-Verfügbarkeit ohne Barrieren
  • Für jeden Betriebob Klein-, Mittleständisch- oder Großbetrieb
  • Hohes Einsparungspotentialfür die Kühlungskosten Ihrer IT-Struktur
  • Große Lösungenfür unsere großen Kunden
  • IT-Klimatisierungmuss nicht teuer sein
  • Wir sind Innovationsträgerfür die Zukunft Ihrer IT-Kühlungs-Sicherheit
  • Flexible Fachkompetenzfür Ihr Unternehmen
  • Unsere Kundenlieben uns
  • Termintreueist uns wichtig
  • Wenn gewünschtdreimal um die Ecke denkend
  • InnovativeSystemlösungen
  • Niemals satt – immer hungrig nach neuen Ideen und Systemen
  • Langjährige Erfahrungen im im Bereich der Klimatechnik
  • IT meets TGA
  • Herstellerneutrale Betrachtung Ihres Projektes / Ihrer Anforderung
  • PreisgekrönteKonzepte
  • Klimaanlagen bauen Viele – Speziell IT-Klimasysteme nur Wenige!
  • kreativeBetrachtung
SK Kältetechnik Startseite Ideen, Konzepte & Systeme Anlagenbau Service-
Leistungen
Energie-Effizienz-Analyse Firmeninfos Telefonnummer
Direkte Rackkühlung
 

Direkte Rackkühlung
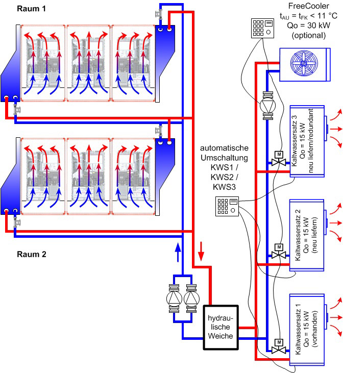
Die direkte Rackkühlung wurde speziell für Racks mit thermisch hohen Lasten konzipiert (High Performance Cluster HPC oder auch Blade-Technologie. Der Wärmetauscher (Seitenkühlgerät) befindet sich in unmittelbarer Nähe der Wärmequelle (Server). In erster Linie wird Kaltwasser (oder ein Wasser-Glykol-Gemisch) als Medium eingesetzt. Bedingt dadurch dass sich der Wärmetauscher in unmittelbarer Nähe der Server befindet kann eine hohe Systemtemperatur selektiert werden, die einen sehr effizienten Betrieb der indirekten freien Kühlung erlaubt.

Bei dieser Technologie wird in dem Serverrack ein Mikro-klima erzeugt.
Weitere Merkmale:
 
- hohe Kühllasten können abgeführt werden (30kW)
- System wird außerhalb des Tauwasserpunktes betrieben (somit fällt kein Kondensatwasser an)
- hohen Wärmelasten können abgeführt werden
- einfache Technik / kaum mechanische Bauteile im Kühlgerät
- hohe Anschaffungskosten (hohe Kosten für Schaffung für Redundanzen)

 

Direkte Rackkühlung

Hauptsitz Ratingen
Freiligrathring 1
D-40878 Ratingen
Fon: +49(0)2102-9934722
Fax: +49(0)2102-9934723
Niederlassung Leverkusen
Paul-Klee-Strasse 79
D-51375 Leverkusen
Fon: +49(0)2171-7647130
Fax: +49(0)2171-7647131
Niederlassung Bremen
Alter Postweg 245
D-28207 Bremen
Fon: +49 (0)421-67314521
Fax: +49 (0) 421-84743527
Niederlassung Kiev
ул. Фрунзе 154
04073 Киев (Украина)
Тел. +38044-384-45-90
Факс.+38044-384-45-90